欢迎来到 济南中创工业测试系统有限公司
更新时间:2019-02-16 浏览次数:
燃气切断阀门扭力的大小关系到燃气的安全问题,安全问题无小事,所以要对燃气切断阀门做抗扭力测试,应当选择什么样的扭转试验机来进行试验呢?中创试验机针对这个问题、根据行业标准、国家标准研发生产一种专用扭转试验机,适用于各种阀门的抗扭力性能测试。
这款扭转试验机不仅可以检测燃气切断阀门的抗扭力,还可以检测扭矩、破损程度、扭矩变形、扭转刚度、扭矩变形等。
施加扭矩值 表1
|
公称尺寸DN/mm |
15 |
20 |
25 |
40 |
50 |
|
扭矩/Nm |
75 |
100 |
125 |
180 |
200 |
燃气切断阀门扭力试验机确保扭矩测量精度不低于1.0%,扭矩值200Nm以内就能满足要求。
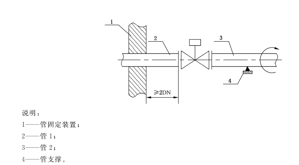
试验步骤:
1、以不超过表1规定的扭矩将管1安装在切断阀上,在距离切断阀大于或等于2DV的位置将管1固定。
2、以不超过表1规定的扭矩将管2安装在切断阀上。
3、支撑管2使切断阀不受弯矩。
4、对管2施加规定的扭矩,扭矩应持续、平稳、逐渐地施加,当达规定的扭矩后,保持10s。
5、扭力撤销后检查切断阀,应无破损、无变形,试验结果应符合规定。内密封应符合标准规定的。

销售总机:0531-85990007 传真:+86-531-85997770
常规设备:18615658728 13031706888
非标定制:18615658711 18615658716
邮箱:jnzcgy@163.com Skype:jnzcgy_zjc@hotmail.com
售后电话:0531-62302272 售后:jnzcgy_service@163.com
地址:山东省济南市槐荫经济开发区西沙路690号
版权所有:济南中创工业测试系统有限公司 | 鲁ICP备10018659-1号